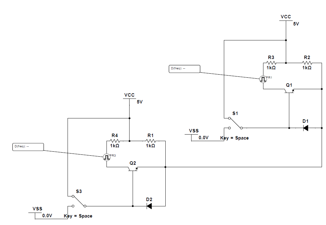
串口半双工电路 发表于 2023-11-30 更新于 2026-03-29 分类于 电子工程 , 通信技术 该电路可以用一根线半双工的传输uart信号 无需使用额外操作切换信号方向 灵感来自485电路中的自动信号方向切换 串口半双工自动切换电路 图中两个Key代表信号发送端 实际应用时去掉开关并将右侧连接MCU的TX 两个测试点PR代表接收端 直接将PR所在的线连接到MCU的RX 由于是半双工 不可以同时发送数据 会导致数据出错 推荐其中一个作为主机 采用应答式交换数据(类似于485总线)